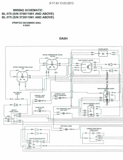
Bobcat 741 Wiring Diagram

741 compact loader pdf manual download.
Bobcat 741 wiring diagram. 741 compact loader pdf manual download. Here are several of the top illustrations we obtain from various sources we wish these photos will work to you and also ideally extremely appropriate to what you desire about the bobcat 773 fuel system diagram is. Bobcat 751 skid steer loader service repair manual. 741 742 742b revised factory workshop repair service manual 6566109 4 88 for bobcat 741 742 742b loader.
1 dvd high speed download link. View and download bobcat 741 service manual online. Bobcat loader 751 wiring diagram. Bobcat 743 skid steer loader with 909 backhoe attachment package kubota diesel for sale duration.
Bobcat 741 742 743 743ds skid steer loader service repair manual. 742 742b 743 743ds 743b. View and download bobcat 741 service manual online. Bobcat 742b 743b skid steer loader service repair manual.
Electric and hydraulic diagram for doosan construction machinery language. Detailed step by step instructions diagrams illustrations make easy any repair. From 1995 to july 2007 bobcat company was a division of ingersoll rand company. Detailed step by step instructions diagrams illustrations make easy any repair overhaul disassembly and assembly testing adjustment replacement and change inspection and adjustment etc.
Nick miller 22 370 views. Bobcat 741 skid steer loader service repair manual. Complete revised factory workshop repair service manual for bobcat 741 742 742b 743 743b 743ds loader. 800 x 600 px source.
Bobcat 751 skid steer loader service repair manual 3. Samsung lcd tv le26m51b le32m51b le32m61b le40m51b le40m61b le66m51b le40m61bx wiring diagram pdf. Fulltext index 100 wiring diagram pdf. Pdf amount of disks.
Forum matches check found in. Extraordinary bobcat wiring diagram ideas wiring schematic size. Bobcat 751 skid steer loader service repair manual 2. Workshop manuals service manuals repair manuals parts.